2004 gmc sierra horn wiring diagram

2006 Kium Rio Wiring Diagram - Cars Wiring Diagram we have 9 Pictures about 2006 Kium Rio Wiring Diagram - Cars Wiring Diagram like [DIAGRAM in Pictures Database] 2000 Chevy Silverado Wiring Diagram, 10+ 97 Chevy Truck Trailer Wiring Diagram | Trailer wiring diagram and also 2007-09 Topkick/Kodiak T7500 T8500 Electronic Air Brake Control Module. Read more:

2006 Kium Rio Wiring Diagram - Cars Wiring Diagram

2006 Kium Rio Wiring Diagram - Cars Wiring Diagram yosalsero.blogspot.com

sensor wiring diagram o2 2006 lexus wires kia sorento kium rio disconnected plug clublexus ls oxygen 2008

2008 Chrysler 300 Ac Fuse Location – Gadisyuccavalley

2008 Chrysler 300 Ac Fuse Location – Gadisyuccavalley gadisyuccavalley.com

pacifica sebring hino 300c mainetreasurechest justanswer audi a4 motogurumag gadisyuccavalley vivi ersaks

86 Chevrolet Truck Fuse Diagram - Wiring Diagram Networks

86 Chevrolet Truck Fuse Diagram - Wiring Diagram Networks kelvin-okl.blogspot.com

diagram chevy fuse chevrolet truck wiring s10 box 1998 silverado k3500

[DIAGRAM] Chevy 2009 Hd 2500 4x4 Wiring Schematic And Fuses FULL

[DIAGRAM] Chevy 2009 Hd 2500 4x4 Wiring Schematic And Fuses FULL fusicp8820.studiobartelloni.it

4x4

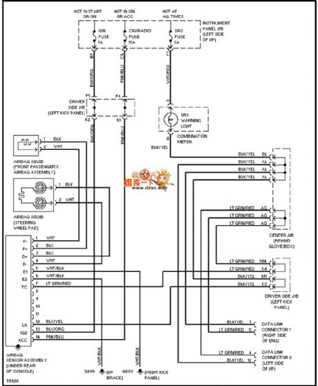
[DIAGRAM] 2006 Gmc Sierra Airbag Wiring Diagram FULL Version HD Quality

[DIAGRAM] 2006 Gmc Sierra Airbag Wiring Diagram FULL Version HD Quality trendiagram.cooperativalafenice.it

airbag

[DIAGRAM] Chevrolet Silverado Gmc Sierra Shop Service Repair Manual

[DIAGRAM] Chevrolet Silverado Gmc Sierra Shop Service Repair Manual flowchartdiagrams.gruppoguerrinidal1958.it

fliphtml5 haynes chilton

2007-09 Topkick/Kodiak T7500 T8500 Electronic Air Brake Control Module

2007-09 Topkick/Kodiak T7500 T8500 Electronic Air Brake Control Module www.factoryoemparts.com

brake module kodiak electronic control t7500 air gmc t8500 chevy topkick 2007 gm bendix c7500 factoryoemparts parts

10+ 97 Chevy Truck Trailer Wiring Diagram | Trailer Wiring Diagram

10+ 97 Chevy Truck Trailer Wiring Diagram | Trailer wiring diagram www.pinterest.com.mx

diagram

[DIAGRAM In Pictures Database] 2000 Chevy Silverado Wiring Diagram

[DIAGRAM in Pictures Database] 2000 Chevy Silverado Wiring Diagram online.casalamm.edu.mx

[diagram] chevy 2009 hd 2500 4x4 wiring schematic and fuses full. [diagram] chevrolet silverado gmc sierra shop service repair manual. Fliphtml5 haynes chilton