2003 infiniti fx35 wiring diagram

INFINITI G35 Headlight Wiring Harness - 26033-AC800 - Genuine INFINITI Part we have 9 Pictures about INFINITI G35 Headlight Wiring Harness - 26033-AC800 - Genuine INFINITI Part like 2003 Infiniti G35 Fuse Box Location | Wire, 2003 Infiniti G35 Fuse Box Location | Wire and also Fuse Box On 2005 Infiniti G35 - Wiring Diagram. Here it is:

INFINITI G35 Headlight Wiring Harness - 26033-AC800 - Genuine INFINITI Part

INFINITI G35 Headlight Wiring Harness - 26033-AC800 - Genuine INFINITI Part parts.infinitiusa.com

g35 headlamp

Infiniti G37 Radio Wiring Diagram - Kapris-naehwelt

Infiniti G37 Radio Wiring Diagram - kapris-naehwelt kapris-naehwelt.blogspot.com

g37 b4010 infinit qx80

2007 Infiniti M35 Fuse Box Location | Schematic And Wiring Diagram

2007 Infiniti M35 Fuse Box Location | schematic and wiring diagram schematicandwiringdiagram.blogspot.com

m35 2007

Honda Vtx 1800 Fuse Box Location

Honda Vtx 1800 Fuse Box Location formulaf1results.blogspot.com

vtx fuses

2002 Infiniti I35 Fuse Box - Cars Wiring Diagram

2002 Infiniti I35 Fuse Box - Cars Wiring Diagram yosalsero.blogspot.com

i35

2003 Infiniti G35 Fuse Box Location | Wire

2003 Infiniti G35 Fuse Box Location | Wire tinyjudson.blogspot.com

g35

Fuse Box On 2005 Infiniti G35 - Wiring Diagram

Fuse Box On 2005 Infiniti G35 - Wiring Diagram cars-trucks24.blogspot.com

g35 wiring

2003 Infiniti G35 Fuse Box Location | Wire

2003 Infiniti G35 Fuse Box Location | Wire tinyjudson.blogspot.com

fuse diagram g35 fx35 fx45 350z fusibles fusecheck schematic

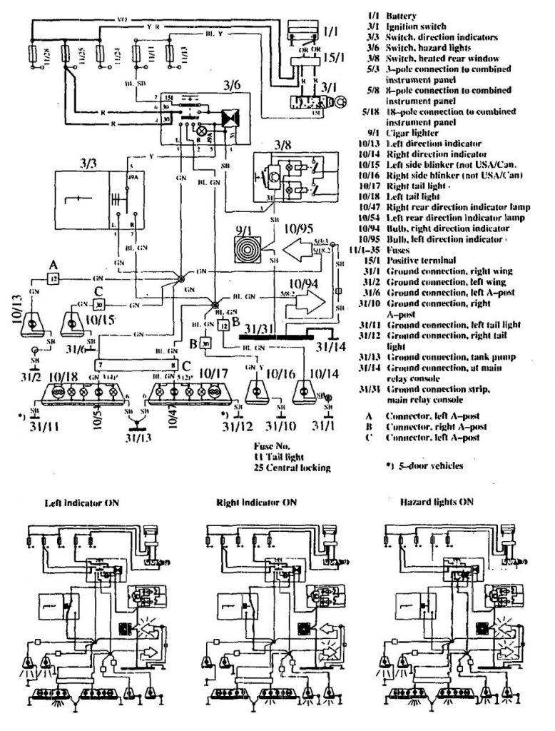
Volvo 760 (1990) - Wiring Diagrams - Turn Signal Lamp - Carknowledge.info

Volvo 760 (1990) - wiring diagrams - turn signal lamp - Carknowledge.info www.carknowledge.info

1990 carknowledge

G35 wiring. 2003 infiniti g35 fuse box location. Vtx fuses