2003 pontiac vibe wiring diagram

27 2007 Toyota Rav4 Serpentine Belt Diagram - Wiring Database 2020 we have 9 Images about 27 2007 Toyota Rav4 Serpentine Belt Diagram - Wiring Database 2020 like Pontiac G6 GT 2003 Engine Electrical Circuit Wiring Diagram - CarFuseBox, Fuse Box For 2003 Pontiac Vibe - Wiring Diagram and also Pontiac Vibe 2009 2010 Double DIN Stereo Harness Radio Install Dash Kit. Here it is:

27 2007 Toyota Rav4 Serpentine Belt Diagram - Wiring Database 2020

27 2007 Toyota Rav4 Serpentine Belt Diagram - Wiring Database 2020 rachelleogyaz.blogspot.com

rav4 toyota engine diagram sensor 1996 temperature 2007 motor 3s fe 2004 where wiring 2006 1az serpentine belt gauge admission

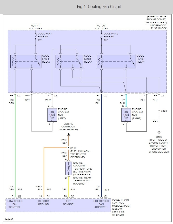
Fuse Box For 2003 Pontiac Vibe - Wiring Diagram

Fuse Box For 2003 Pontiac Vibe - Wiring Diagram cars-trucks24.blogspot.com

2003

Pontiac Bonneville Fuse Box Diagram - Wiring Forums

Pontiac Bonneville Fuse Box Diagram - Wiring Forums www.wiringforums.com

fuse wiringforums aztek autogenius

Pontiac Vibe 2009 2010 Double DIN Stereo Harness Radio Install Dash Kit

Pontiac Vibe 2009 2010 Double DIN Stereo Harness Radio Install Dash Kit www.hifisoundconnection.com

harness sc2

Fuse Box For 2005 Toyota Matrix | Schematic And Wiring Diagram

Fuse Box For 2005 Toyota Matrix | schematic and wiring diagram schematicandwiringdiagram.blogspot.com

matrix toyota 2005 pontiac vibe fuse box haynes 2003 repair manual schematic wiring

Pontiac 3400 Aztek Engine Diagram - Wiring Diagram

Pontiac 3400 Aztek Engine Diagram - Wiring Diagram wiring121.blogspot.com

diagram pontiac wiring aztek engine

Pontiac Stereo Wiring Harnes - Wiring Diagram

Pontiac Stereo Wiring Harnes - Wiring Diagram wiring121.blogspot.com

connectors

Pontiac G6 GT 2003 Engine Electrical Circuit Wiring Diagram - CarFuseBox

Pontiac G6 GT 2003 Engine Electrical Circuit Wiring Diagram - CarFuseBox www.carfusebox.com

pontiac diagram wiring sunfire fuse g6 engine gt 2007 2008 circuit electrical 2003 main wire 2004 1999 box 2001 pursuit

Pontiac 3 8l Engine Diagram - Wiring Diagram

Pontiac 3 8l Engine Diagram - Wiring Diagram wiring121.blogspot.com

pontiac diagram timing chain engine grand am wiring repair position quad gt know need fig guide

27 2007 toyota rav4 serpentine belt diagram. Rav4 toyota engine diagram sensor 1996 temperature 2007 motor 3s fe 2004 where wiring 2006 1az serpentine belt gauge admission. Pontiac 3 8l engine diagram