2004 chrysler sebring wiring schematics

2004 Sebring Convertible Radio Wiring Diagram - Wiring Diagram we have 9 Pictures about 2004 Sebring Convertible Radio Wiring Diagram - Wiring Diagram like I am looking for a wiring diagram to the stereo in my 2004 chrysler, 2004 Sebring Convertible Radio Wiring Diagram - Wiring Diagram and also [DIAGRAM] Chrysler Concorde Radio Wiring Diagram FULL Version HD. Here it is:

2004 Sebring Convertible Radio Wiring Diagram - Wiring Diagram

2004 Sebring Convertible Radio Wiring Diagram - Wiring Diagram wiringdiagram.2bitboer.com

sebring stereo schematic conexiones

2010 Chrysler Sebring Wiring Diagram - Style Guru: Fashion, Glitz

2010 Chrysler Sebring Wiring Diagram - Style Guru: Fashion, Glitz www.stylesgurus.com

wiring sebring painless vdj79 fujitsu vitara sportsman landcruiser forklift bois norme combles isolation 2113

2008 Chrysler Sebring Fuse Box Diagram : Sebring Fuse Box Wiring

2008 Chrysler Sebring Fuse Box Diagram : Sebring Fuse Box Wiring ngengmberrrr.blogspot.com

fuse windstar sebring labo

2003 Crysler Sebring Fuse Box Diagram – Auto Fuse Box Diagram

2003 Crysler Sebring Fuse Box Diagram – Auto Fuse Box Diagram www.autofuseboxdiagram.com

sebring wiring crysler mikrora

Chrysler Sebring Wiring Diagram Horn - Wiring Diagram

Chrysler Sebring Wiring Diagram Horn - Wiring Diagram cars-trucks24.blogspot.com

horn wiring sebring diagram chrysler blinkers wipers stopped same working windows

[DIAGRAM] Chrysler Concorde Radio Wiring Diagram FULL Version HD

[DIAGRAM] Chrysler Concorde Radio Wiring Diagram FULL Version HD anklediagrams.corrierte.it

crossfire pacifica justanswer sebring replace

I Am Looking For A Wiring Diagram To The Stereo In My 2004 Chrysler

I am looking for a wiring diagram to the stereo in my 2004 chrysler www.justanswer.com

wiring diagram 2005 chrysler sebring dodge 2004 stratus stereo infinity diagrams justanswer amp grand ww2 coupe cherokee jeep pinout 2009

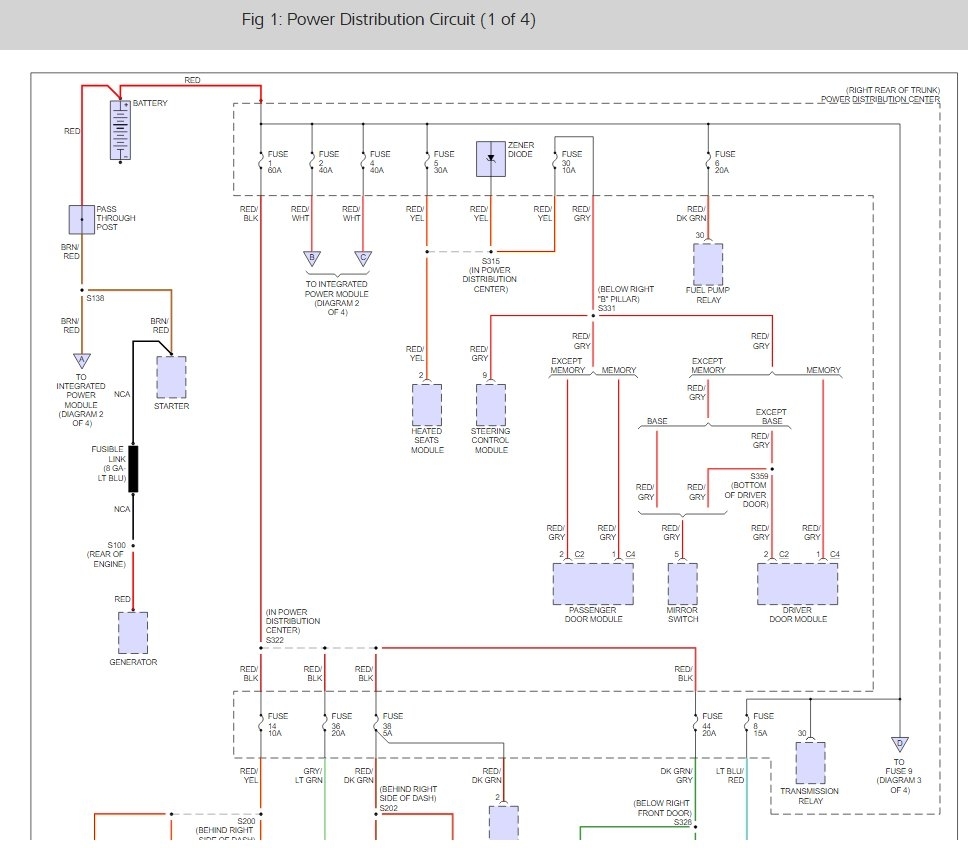
Chrysler Sebring Electrical Schematic - Wiring Diagram

Chrysler Sebring Electrical Schematic - Wiring Diagram wiringdiagram.2bitboer.com

sebring imageservice harness

98 Chrysler Sebring Stereo Wiring Diagram - Wiring Diagram Networks

98 Chrysler Sebring Stereo Wiring Diagram - Wiring Diagram Networks kelvin-okl.blogspot.com

sebring fuse chrysler diagram box 2007 2008 convertible 1999 layout wiring fog 1998 keywords similiar cruiser pt 2005 lamps panel

2010 chrysler sebring wiring diagram. Sebring wiring crysler mikrora. Sebring imageservice harness