2004 ford f150 stereo wiring diagram

Audio System: CAN-BUS or not - Ford F150 Forum - Community of Ford we have 8 Pictures about Audio System: CAN-BUS or not - Ford F150 Forum - Community of Ford like 2004 Ford F-150 Radio: I Have a Ford F150 Super Cab Lariat, When I..., 49 2002 Ford F150 Stereo Wiring Diagram - Wiring Harness Diagram and also 2010 STX - Radio Harness Question - Ford F150 Forum - Community of Ford. Here it is:

Audio System: CAN-BUS Or Not - Ford F150 Forum - Community Of Ford

Audio System: CAN-BUS or not - Ford F150 Forum - Community of Ford www.f150forum.com

bus f150 ford audio system

1984 F150 Wiring Diagram

1984 F150 Wiring Diagram www.chanish.org

wiring gt350 fixya stator ecm

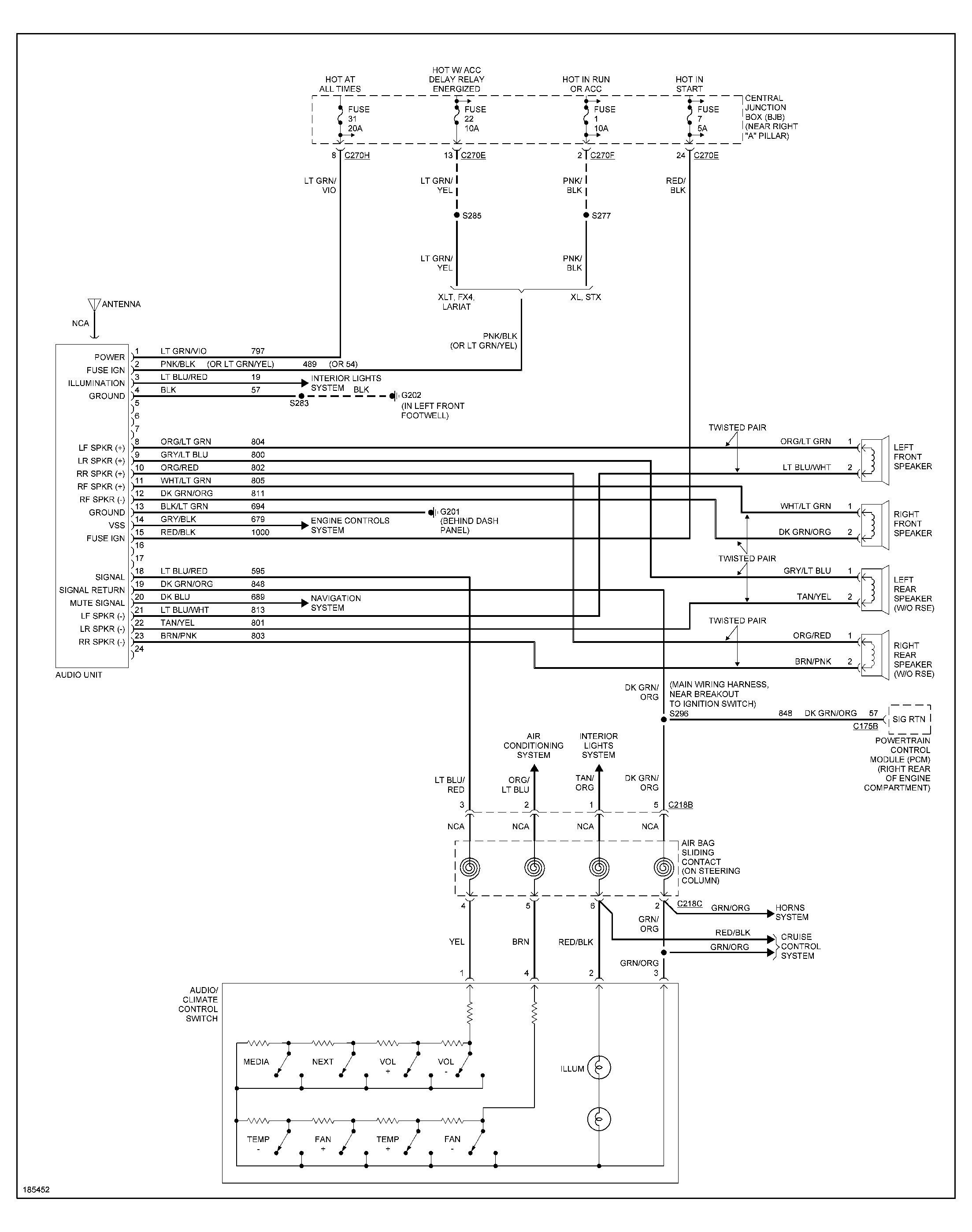
49 2002 Ford F150 Stereo Wiring Diagram - Wiring Harness Diagram

49 2002 Ford F150 Stereo Wiring Diagram - Wiring Harness Diagram 356journals.blogspot.com

f150

30 2001 Ford F150 Radio Wiring Diagram - Wire Diagram Source Information

30 2001 Ford F150 Radio Wiring Diagram - Wire Diagram Source Information wiringdiagrammechanic.blogspot.com

Chevy Hhr Oxygen Sensor Wiring Diagram - Wiring Diagram

Chevy Hhr Oxygen Sensor Wiring Diagram - Wiring Diagram cars-trucks24.blogspot.com

hhr network

2010 STX - Radio Harness Question - Ford F150 Forum - Community Of Ford

2010 STX - Radio Harness Question - Ford F150 Forum - Community of Ford www.f150forum.com

wiring stx

1984 F150 Wiring Diagram

1984 F150 Wiring Diagram www.chanish.org

wiring f250 electrical circuits sedona solenoid

2004 Ford F-150 Radio: I Have A Ford F150 Super Cab Lariat, When I...

2004 Ford F-150 Radio: I Have a Ford F150 Super Cab Lariat, When I... www.2carpros.com

radio 2004 ford f150 lariat enlarge cab

Wiring gt350 fixya stator ecm. Wiring f250 electrical circuits sedona solenoid. Audio system: can-bus or not