2003 silverado obd2 wiring diagram

Outside Of Obd2 Fuse Box - Wiring Diagram we have 9 Images about Outside Of Obd2 Fuse Box - Wiring Diagram like 2020 lesson on GM Silverado data bus communication started in 2003 and, 2009 Chevy Malibu Wiring Schematic - Wiring Diagram Schemas and also Outside Of Obd2 Fuse Box - Wiring Diagram. Here it is:

Outside Of Obd2 Fuse Box - Wiring Diagram

Outside Of Obd2 Fuse Box - Wiring Diagram wiring121.blogspot.com

obd2 f150 diagnostic

Wiring Diagram PDF: 2003 Gmc Sierra 1500 Obd2 Wiring Diagram

Wiring Diagram PDF: 2003 Gmc Sierra 1500 Obd2 Wiring Diagram wiring-pdf.blogspot.com

swap vortec ls1 1500 x2f chevrolet obd2 tpi lm7 2001 connectors tahoe ambrasta manual

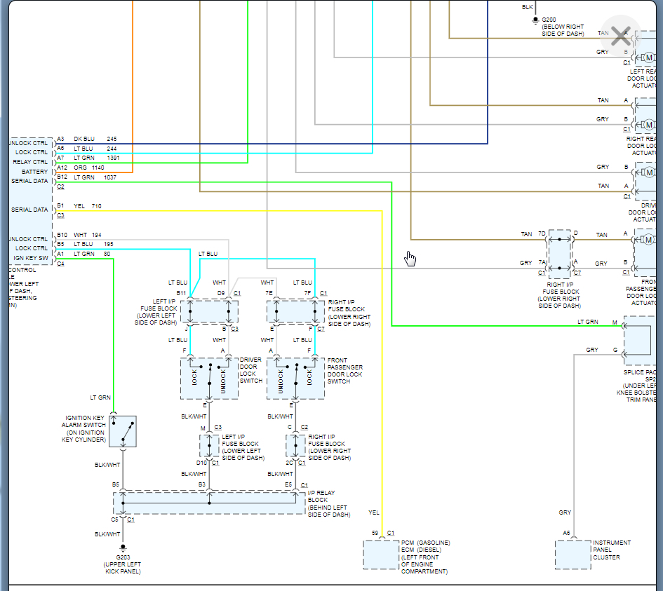
Body Control Module Wiring Diagrams And Pin Out?

Body Control Module Wiring Diagrams and Pin Out? www.2carpros.com

diagrams

2009 Chevy Malibu Wiring Schematic - Wiring Diagram Schemas

2009 Chevy Malibu Wiring Schematic - Wiring Diagram Schemas wiringschemas.blogspot.com

gm obd wiring chevy ii malibu diagram pinout diagnostic

2003 Gmc Sierra 1500 Obd2 Wiring Diagram | Wiring Schematic Diagram

2003 Gmc Sierra 1500 Obd2 Wiring Diagram | Wiring Schematic Diagram 94.fiercemc.co

yukon obd2 wire pictorial

2005 Chevy Malibu Interior Fuse Diagram | Brokeasshome.com

2005 Chevy Malibu Interior Fuse Diagram | Brokeasshome.com brokeasshome.com

obd obd2 honda fuse

2020 Lesson On GM Silverado Data Bus Communication Started In 2003 And

2020 lesson on GM Silverado data bus communication started in 2003 and www.pinterest.com

diagram data 2003 class serial silverado bus wiring dlc gm communication circuit module dtc voltage communications toyota switch trailer

Body Control Module Wiring Diagrams And Pin Out?

Body Control Module Wiring Diagrams and Pin Out? www.2carpros.com

silverado

[DIAGRAM] Es 345 Wiring Diagram

[DIAGRAM] Es 345 Wiring Diagram yamaha-jog.buffalomountainkombucha.com

deere diagram john parts mower deck ditch witch snow wiring untpikapps snowblower d140 plow l120 l110 es king inch awesome

2009 chevy malibu wiring schematic. Obd2 f150 diagnostic. Body control module wiring diagrams and pin out?